负载越大,导通损耗越大,而开关损耗与负载大小无关,重载转换效率高,噪声低、纹波小。
硬开关脉冲频率调制式(PFM) 轻载时变换器效率较高。
硬开关 PWM 和PFM 混合式 能够根据负载情况自动切换工作模式,使变换器整体工作效率得到提高。
软开关 ZVS-ZCS PWM 调制式 实现开关管零电压开通和零电流关断,减小了开关管损耗,提高了变换器的工作效率。
(4)按照电 源与负载之间是否 隔 离,还可以分为:隔 离式 和非 隔离 式直流 变换 器等等。
此外,因为实际生产和生活中,在一定区域内存在不同的电气设备,它们对电源有不同的需求,这就需要电源转换器按照一定区域内的需求满足所有的电气设备;随着电力电子变换技术地不断发展,独立的电源转换电路已经变得越来越复杂,所以电源变换系统也应运而生;单路或多路输入、多路输出的电源变换系统和多级变换的概念也被提出;为了满足不同直流负载的特性要求,并且相互之间不影响,DC-AC-DC 两级或者三级变换电路也在直流变换电路的基础上得到了发展。文献综述
1.3 直流变换器的现状和发展趋势
随着变换器的不断发展,变换器的效率被要求不断提高,使用的场合也越来越宽泛。在与使用要求和市场需求的不断磨合过程中,直流变换器的性能得到不断地改善,设计思想和控制技术也在不断创新强化。如今,直流变换器领域中又出现了很多新的设计思路和技术,如:软开关技术、同步整流技术、高频磁技术等[20][21]。
电力电子变换技术的快速发展和广泛应用,在世界科技和经济发展中扮演者越来越重要的角色。而随着经济的发展和科技的进步,电力变换技术在电路拓扑结构、功率器件性能、控制方法也取得了很大的进步,电路的整体性能得到了优化,加快了电力电子技术的发展速度。如今,直流变换器正朝着 高度集成化、小型轻量化、高控制精度以及高效率化等方向迅速发展[21]。
1.4 本文研究的任务和主要内容
(1)对360WDC-DC车载电源的拓扑结构、控制方式、工作原理和参数设计等进行分析;
(2)按照工程设计规范对元器件进行选取;
(3)使用SABER仿真软件对实验结果进行仿真分析;
(4)给出相应的设计文件,完成设计图纸。
2 基于基本半桥DC-DC变换器的车载电源
2.1 基本半桥直流变换器的工作原理
为了分析稳态特性,简化推导过程,首先假定:
(1)开关功率管、二极管都为可以瞬间导通和截止的理想元件,并且导通时的压降为零,截止时的漏电流也为零;
(2)电感、电容均为理想元件。电感寄生电阻为零、工作在线性区且未达到饱和,电容是等效串联电阻为零的电容;
(3)输出电压中的纹波电压与输出电压的比值非常小,可以忽略不计[1]。
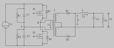
半桥直流变换器的电路图如图2.1所示:

图2.1 半桥式直流变换器基本电路结构
变压 器原边绕组由电容器 、 与开关管S1、S2构成的桥臂组成,故称半桥式变换器。如果 ,某一开 关管导 通时,绕 组上电压 只有电 源电压的一 半。稳 态条件下, ,当变压器导通时, 上的 加在原边线圈上,S1上流过I1;电路通过开关管S1、原边绕组、电容 形成回路,此时原边绕组上下两端极性为上正下负,经过占空比确定的时间后,S1关断;原边绕组的存在使得I1方向不变,但是电流值逐渐变小,此时B点为负电位, 导通,反激能量再生,对 充电;B点处的电压在阻尼电阻的作用下以振荡形式最后恢复到原来的中心值;S1关闭一段时间后,给S2一个触发脉冲,S2导通,原边绕组黑点端变负;电路中由电容 、原边绕组和开关管S2构成回路,重复之前的过程;与之前的区别是,I1方向与之前相反,S2关断时接点B摆动到正, 导通,反激能量对 充电[1]。 360WDC-DC车载电源的研制saber仿真(3):http://www.751com.cn/zidonghua/lunwen_74061.html

