本设计团队结合目前的实际生产工艺情况,采用清洁工艺生产PX,选择从石油生产对二甲苯这条路线,即芳烃联合生产对二甲苯。该工艺包括芳烃抽提、甲苯歧化、芳烃分馏、吸附分离和二甲苯异构化五个工段,项目产能为100万吨/年,可在一定程度上缓解中国PX市场供需矛盾。此外,该工艺还对三废及其它相关环境问题进行了设计。
2 芳烃联合生产工艺设计
2.1 生产工艺概述
芳烃联合装置以直馏、加氢裂化石脑油或乙烯裂解汽油为原料,生产苯、对二甲苯和邻二甲苯等芳烃产品。芳烃联合装置包括芳烃抽提、甲苯歧化、吸附分离和二甲苯异构化等装置。
2.2 芳烃联合生产工艺流程
2.2.1 芳烃抽提工段
溶剂萃取分离芳烃是利用溶剂对芳烃和非芳烃选择溶解从而达到分离芳烃和非芳烃的目的。液——液抽提装置生产的芳烃具有质量好、回收率高和原料适应性好的特点,分离可得到高纯度的三苯(苯、甲苯和二甲苯)。
本设计在此工段选择环丁砜溶剂抽提[2],环丁砜溶剂抽提工艺主要有以下特点:溶解能力强、选择性优良、热稳定性好、无毒价廉、环丁砜溶剂循环利用和使用周期较长。
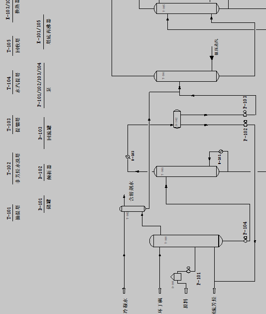
本工段选择UOP的Sulfolane法[2~3]。该工艺以环丁砜为溶剂,是目前使用最广泛的一种工艺。环丁砜溶剂抽提工艺包括6个塔,即抽提塔、抽余油水洗塔、抽提蒸馏塔、回收塔、水分馏塔和溶剂再生塔,其工艺流程如图1所示。

图1 芳烃抽提工艺流程图
由图1可知,该工艺流程主要有以下五个步骤:
(1)原料进入抽提塔T-101中部,贫溶剂油从塔顶进入,经过逆向接触后,抽提塔T-101塔顶采出的抽余油经换热后进入水洗塔T-102的下部,塔底出富溶剂油进入抽提蒸馏塔T-103。水洗后的水从塔底排出,塔顶采出非芳烃。
(2)抽提塔T-101塔底的富溶剂油与贫溶剂换热后进抽提蒸馏塔T-103塔顶进行提馏操作,蒸馏塔塔底为富含芳烃的第二溶剂油,而轻质烷烃和少量芳烃从塔顶排出,经冷却后进入回流芳烃罐进行油水分离,油相作为芳烃回流到抽提塔底,水相与抽余油水洗塔塔底的水一起进入水分馏塔。
(3)蒸馏塔底的第二溶剂油进入回收塔中部进行减压将芳烃与溶剂分开。回收塔塔底的汽提介质为水分馏塔塔底含溶剂的水以及溶剂再生塔塔顶出来的溶剂蒸汽,贫溶剂从塔底排出。塔顶馏出物经冷却后进入芳烃罐进行油水分离,油相回流到回收塔,其余作为芳烃产品送入精馏系统。
(4)抽余油水洗塔与回流芳烃罐中的水进入水分馏塔以除去水中的微量非芳烃,塔顶馏出的水蒸气冷凝后进入回流芳烃罐,下部的水蒸气则进入溶剂再生塔,分馏塔的热源介质为回收塔底的贫溶剂油。
(5)回收塔底的贫溶剂油经换热后一部分回流,另一部分则进入溶剂再生塔进行溶剂再生,溶剂再生后从塔顶排出,塔底排渣[2~5]。
2.2.2甲苯歧化工段
甲苯歧化工艺就是以甲苯和C9A以及C10A芳烃为原料,在临氢和催化剂存在的条件下,生成苯和混合二甲苯[6],具体反应如下:
该工段是在美国UOP的Tatoray工艺技术基础上进行设计。该技术具有分离器所需压力较低和产率转化率较高等优点[7]。本项目选择的催化剂是HAT-099,它具有催化剂寿命长、选择性和转化率高、对重芳烃的处理能力强及反应活性高等优点[8]
Aspen年产100万吨对二甲苯的工艺设计及环境评价研究(2):http://www.751com.cn/huaxue/lunwen_74397.html
